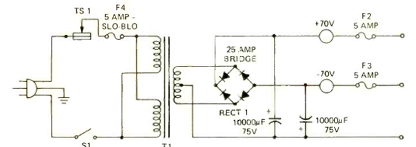
Este circuito es la fuente de alimentación del amplificador del circuito anterior. El transformador es de 5 A con una tensión de 45 V, obteniendo 70 V tras la rectificación.
Este circuito puede ser utilizado por grupos scouts o campistas que necesitan un sistema de...
El mezclador de dos canales presentado en la figura 1 consiste en la solución ideal para los casos...
Este circuito utiliza como estándar de frecuencia un filtro cerámico del tipo encontrado en radios de FM,...