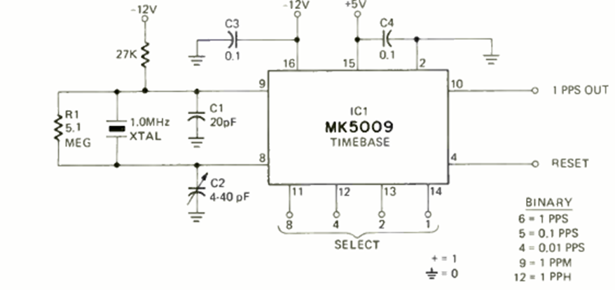
Esta base de tiempo de cristal es parte de un proyecto publicado en la revista Radio Electronics en agosto de 1972. La frecuencia la da el cristal. El circuito es un divisor de frecuencia que utiliza un cristal de 1 MHz para proporcionar 1 pulso por segundo. O según lo seleccionado.




