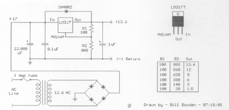
El diagrama es de documentación de los años 90. El circuito integrado debe estar equipado con un disipador de calor. La tabla muestra los valores de los componentes para diferentes tensiones de salida.
Este circuito puede ser utilizado por grupos scouts o campistas que necesitan un sistema de...
El mezclador de dos canales presentado en la figura 1 consiste en la solución ideal para los casos...
Este circuito utiliza como estándar de frecuencia un filtro cerámico del tipo encontrado en radios de FM,...