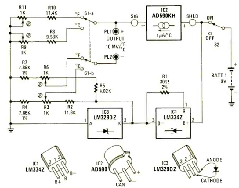
Este circuito se encontró en la revista Radio Electronics de julio de 1978. El circuito utiliza el voltímetro digital común como indicador. Los sensores son circuitos integrados de la época.
Nuestro circuito, ilustrado en la figura 1, hace uso de un transistor de silicio (o diodo de...
Los sonidos y los ultrasonidos pueden ser generados con el circuito mostrado en la figura 1, que...
Para los adeptos del lanzamiento de pequeños cohetes la disponibilidad de un sistema electrónico con llave...