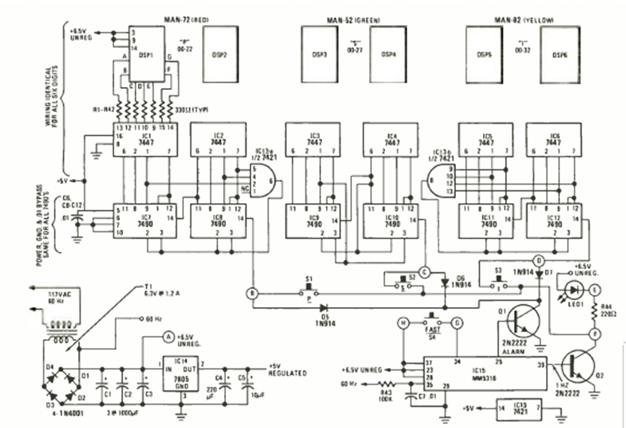
Encontrado en una revista de Radio Electronics de noviembre de 1977, este circuito digital fue descrito en un artículo que enseñaba cómo ensamblarlo. El circuito de 6 dígitos constaba de un reloj.
Nuestro circuito, ilustrado en la figura 1, hace uso de un transistor de silicio (o diodo de...
Los sonidos y los ultrasonidos pueden ser generados con el circuito mostrado en la figura 1, que...
Para los adeptos del lanzamiento de pequeños cohetes la disponibilidad de un sistema electrónico con llave...