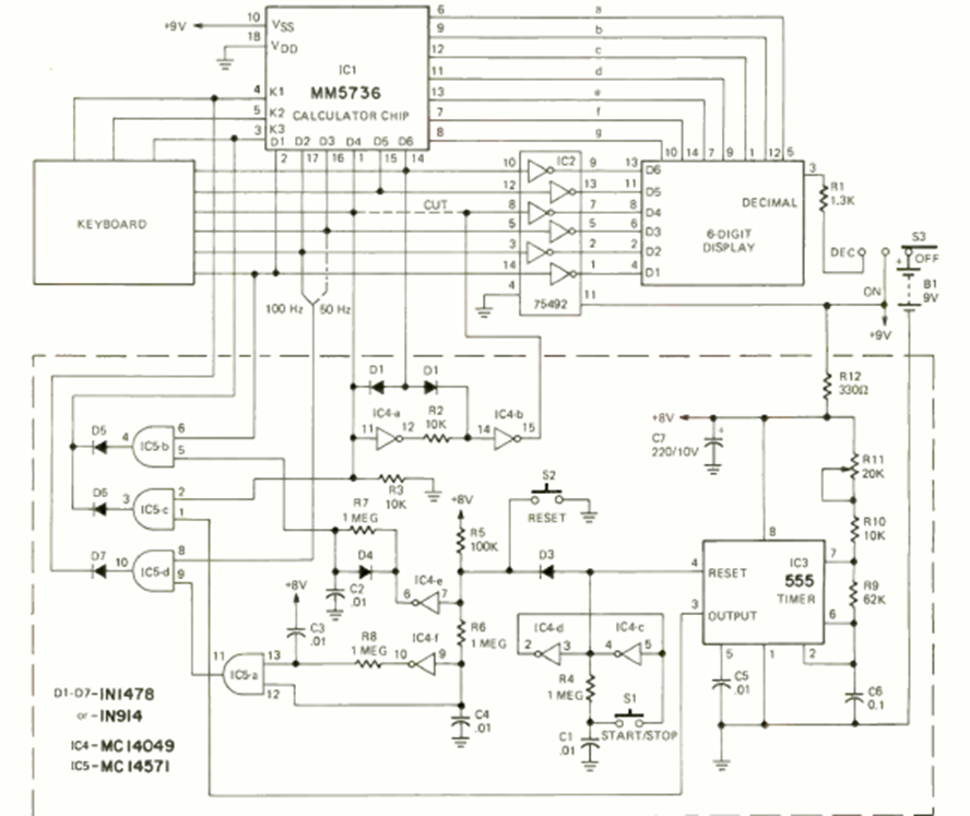
Este circuito fue encontrado en la revista Radio Electronics de febrero de 1976. Los componentes son de la época basados en el 555. La alimentación debe realizarse con las tensiones indicadas.
Este circuito puede ser utilizado por grupos scouts o campistas que necesitan un sistema de...
El mezclador de dos canales presentado en la figura 1 consiste en la solución ideal para los casos...
Este circuito utiliza como estándar de frecuencia un filtro cerámico del tipo encontrado en radios de FM,...