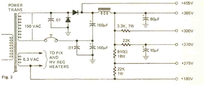
Esta fuente de alimentación apareció en la revista Radio Electronics en diciembre de 1973. Este tipo de circuito se utilizaba en aquella época para alimentar televisores de válvulas.
Los circuitos de alta frecuencia, como los que operan con señales de FM, son críticos no debiendo...
El circuito presentado en la figura 1 hace encender un LED blanco de alto rendimiento cuando falta luz,...
Con este oscilador podemos obtener una señal de 10 W de potencia en la frecuencia de 100kHz, El...