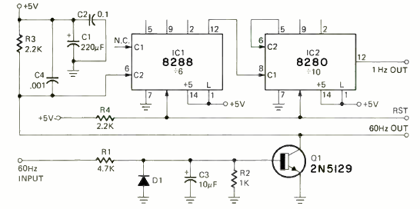
Este circuito de base de tiempo lo encontramos en un proyecto de temporizador de la revista Radio Electronics de agosto de 1972. El circuito aprovecha la señal de 60 Hz de la red eléctrica.
Los circuitos de alta frecuencia, como los que operan con señales de FM, son críticos no debiendo...
El circuito presentado en la figura 1 hace encender un LED blanco de alto rendimiento cuando falta luz,...
Con este oscilador podemos obtener una señal de 10 W de potencia en la frecuencia de 100kHz, El...