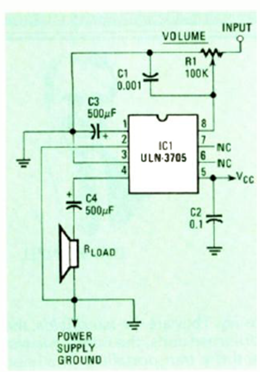
Usando el ULN-3784B, este circuito generalmente proporciona 5W a 24W. Sin embargo, puede funcionar desde 9V. El circuito es de Radio Electronics de octubre de 1984.

Usando el ULN-3784B, este circuito generalmente proporciona 5W a 24W. Sin embargo, puede funcionar desde 9V. El circuito es de Radio Electronics de octubre de 1984.
