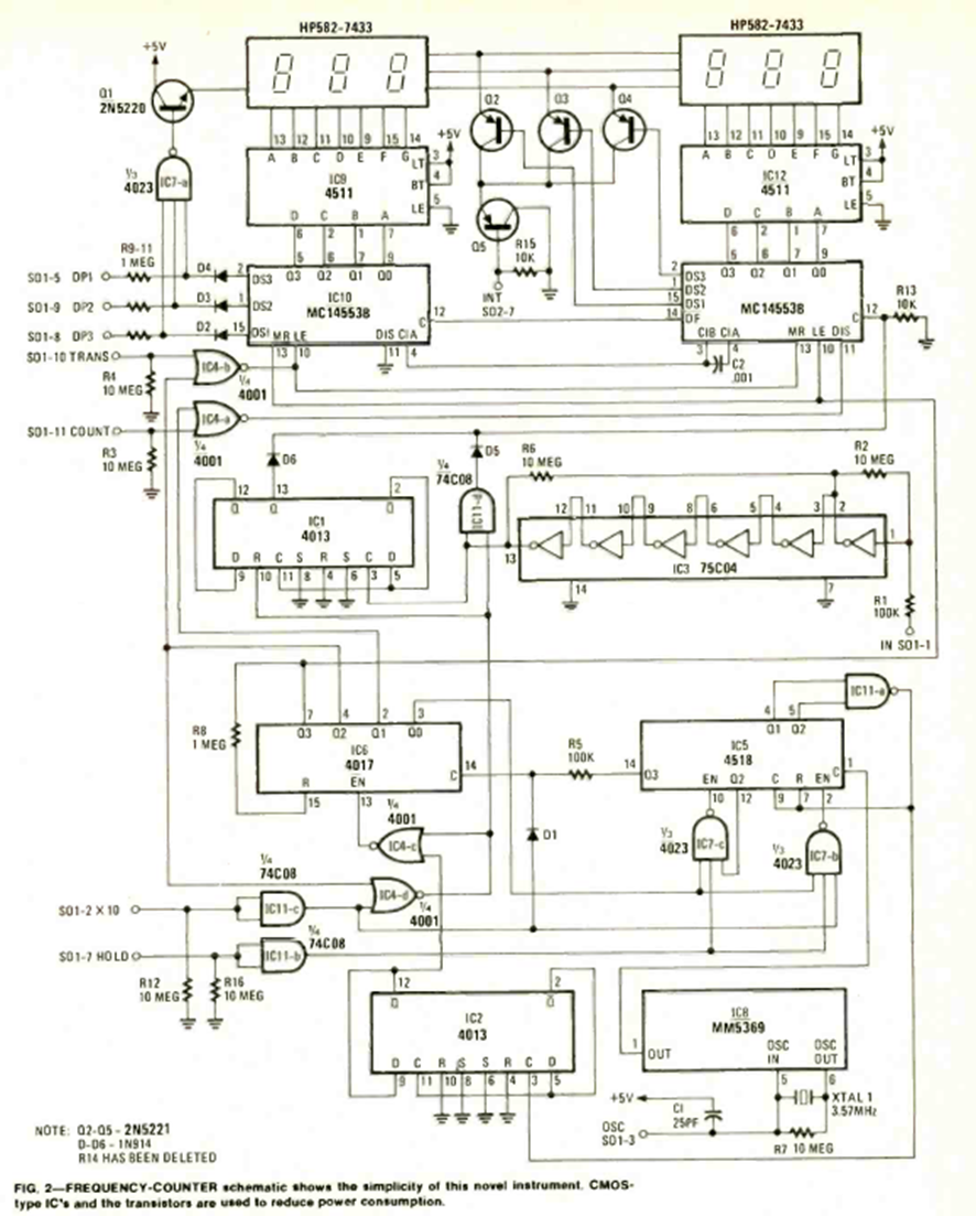
Encontramos este circuito en la revista Radio Electronics de octubre de 1978. El artículo de la revista describe su montaje. El circuito tiene 6 dígitos y utiliza componentes de período.
La potencia de este amplificador deja mucho que desear en relación con los modernos aparatos de alta...
El proyecto presentado es interesante, pues permite la determinación de la velocidad de reacción de...
Este circuito es básicamente la misma configuración anterior con una etapa de potencia con...