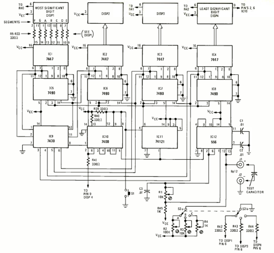
Este circuito fue encontrado en la revista Radio Electronics de diciembre de 1977. El circuito de 4 dígitos se basa en lógica TTL y debe alimentarse con una tensión de 5 V.
Los circuitos de alta frecuencia, como los que operan con señales de FM, son críticos no debiendo...
El circuito presentado en la figura 1 hace encender un LED blanco de alto rendimiento cuando falta luz,...
Con este oscilador podemos obtener una señal de 10 W de potencia en la frecuencia de 100kHz, El...