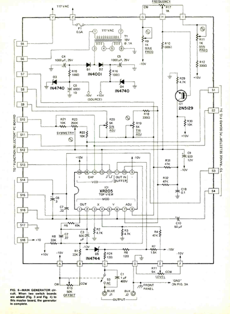
Este sofisticado circuito generador de funciones apareció en la revista Radio Electronics en septiembre de 1972. El circuito incluye la alimentación desde la red eléctrica.
Los circuitos de alta frecuencia, como los que operan con señales de FM, son críticos no debiendo...
El circuito presentado en la figura 1 hace encender un LED blanco de alto rendimiento cuando falta luz,...
Con este oscilador podemos obtener una señal de 10 W de potencia en la frecuencia de 100kHz, El...