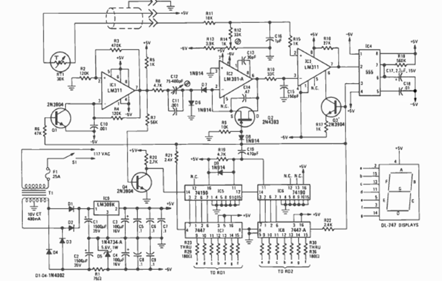
Este circuito fue encontrado en la revista Radio Electronics de septiembre de 1977. La fuente de alimentación está incluida y la lógica empleada es TTL.
Los circuitos de alta frecuencia, como los que operan con señales de FM, son críticos no debiendo...
El circuito presentado en la figura 1 hace encender un LED blanco de alto rendimiento cuando falta luz,...
Con este oscilador podemos obtener una señal de 10 W de potencia en la frecuencia de 100kHz, El...