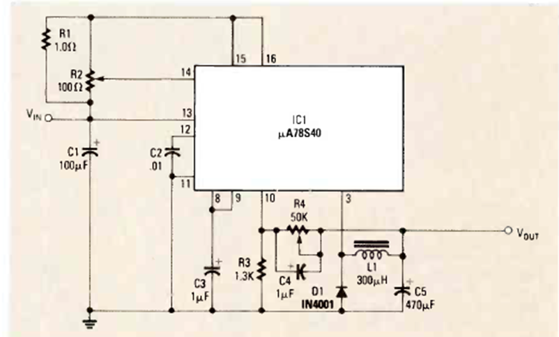
Con una entrada de 10 V, este circuito proporciona una salida de 25 V. El circuito es de Radio Electronics de diciembre de 1985.
Los circuitos de alta frecuencia, como los que operan con señales de FM, son críticos no debiendo...
El circuito presentado en la figura 1 hace encender un LED blanco de alto rendimiento cuando falta luz,...
Con este oscilador podemos obtener una señal de 10 W de potencia en la frecuencia de 100kHz, El...