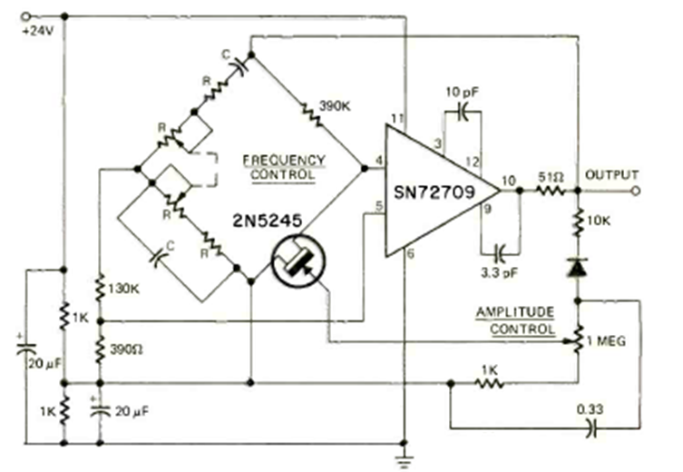
Este circuito oscilador de puente de Viena utiliza un amplificador Texas Instruments 709. Lo encontramos en un artículo de la revista Radio Electronics de septiembre de 1972. La alimentación se suministra mediante una tensión de 24 V.
Los circuitos de alta frecuencia, como los que operan con señales de FM, son críticos no debiendo...
El circuito presentado en la figura 1 hace encender un LED blanco de alto rendimiento cuando falta luz,...
Con este oscilador podemos obtener una señal de 10 W de potencia en la frecuencia de 100kHz, El...