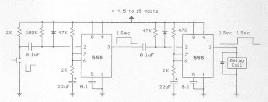
Este circuito común con el 555 se encontró en documentación de los años 90. El circuito usa dos 555 y los tiempos están dados por los capacitores en cada uno de los 555. El circuito activa un relé en 1 segundo. Produciendo un pulso de 1 segundo.
El Nervo-prueba es un juego electrónico tradicional. El jugador debe pasar una argolla de metal...
Esta lámpara de prueba o prueba de electrodomésticos sirve para probar electrodomésticos (sin...
Este oscilador fue encontrado en un manual de circuitos europeo de los años 80. La configuración puede...