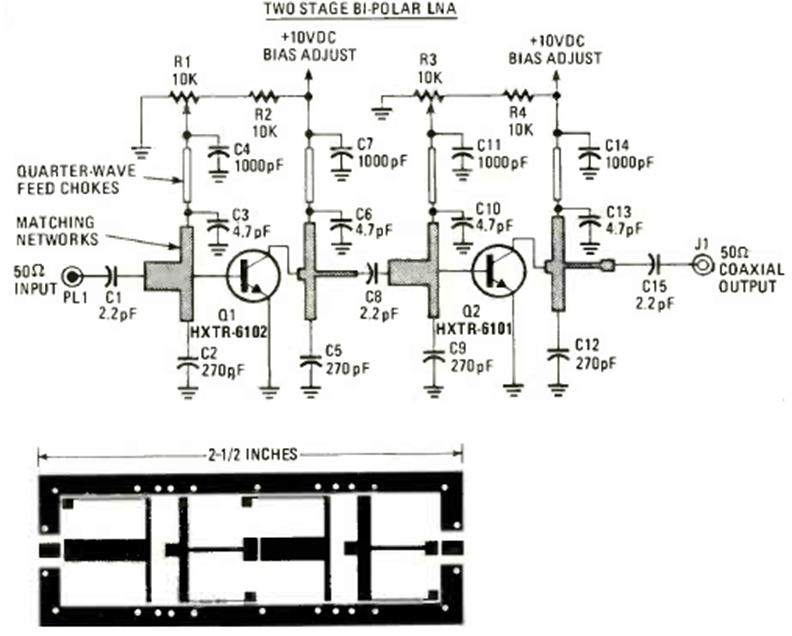
Este circuito, utilizado en la recepción de televisión por satélite de la década de 1980, se encontró en la revista Radio Electronics de marzo de 1980. Observe el diseño de la placa.
Los circuitos de alta frecuencia, como los que operan con señales de FM, son críticos no debiendo...
El circuito presentado en la figura 1 hace encender un LED blanco de alto rendimiento cuando falta luz,...
Con este oscilador podemos obtener una señal de 10 W de potencia en la frecuencia de 100kHz, El...