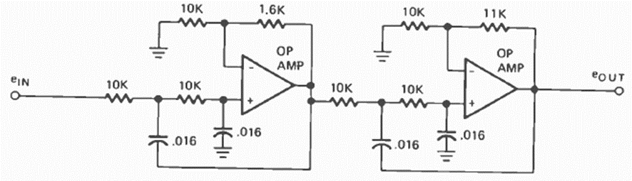
Este circuito con una atenuación de 24 dB por octava se encontró en la revista Radio Electronics de noviembre de 1973. Los componentes son para 1 kHz, pero se pueden recalcular para otras frecuencias.
Los circuitos de alta frecuencia, como los que operan con señales de FM, son críticos no debiendo...
El circuito presentado en la figura 1 hace encender un LED blanco de alto rendimiento cuando falta luz,...
Con este oscilador podemos obtener una señal de 10 W de potencia en la frecuencia de 100kHz, El...