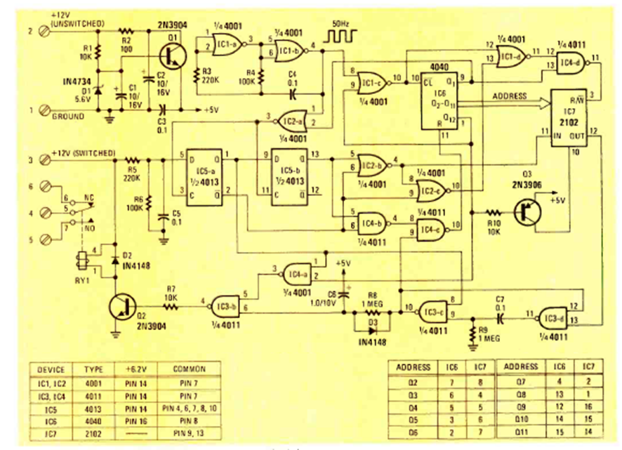
Este sofisticado circuito fue encontrado en la revista Radio Electronics de noviembre de 1978. Basado en lógica CMOS, tiene varios tipos de temporización, controlando el relé del limpiaparabrisas.
Los circuitos de alta frecuencia, como los que operan con señales de FM, son críticos no debiendo...
El circuito presentado en la figura 1 hace encender un LED blanco de alto rendimiento cuando falta luz,...
Con este oscilador podemos obtener una señal de 10 W de potencia en la frecuencia de 100kHz, El...