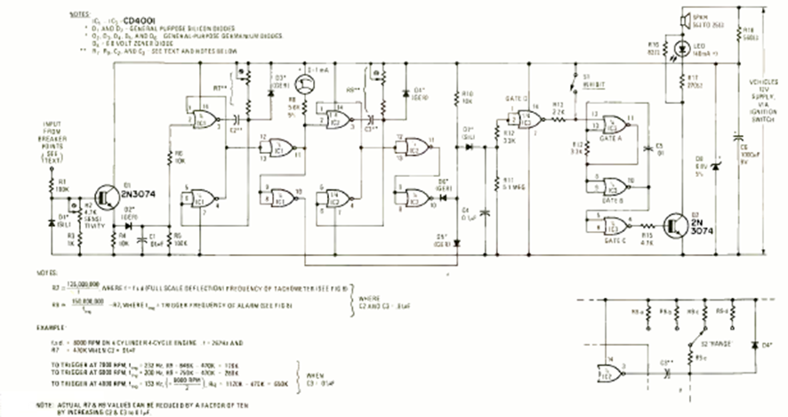
Encontramos este circuito en una Radio Electrónica de octubre de 1976. Los componentes siguen siendo comunes, pero el circuito se aplica a modelos de automóviles antiguos con encendido mecánico.
Los circuitos de alta frecuencia, como los que operan con señales de FM, son críticos no debiendo...
El circuito presentado en la figura 1 hace encender un LED blanco de alto rendimiento cuando falta luz,...
Con este oscilador podemos obtener una señal de 10 W de potencia en la frecuencia de 100kHz, El...