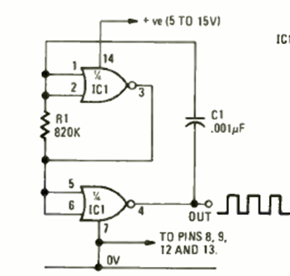
Este circuito básico CMOS 4001 se encontró en la revista Radio Electronics de abril de 1976. El circuito genera señales rectangulares y los componentes se pueden cambiar para obtener otras frecuencias.

Este circuito básico CMOS 4001 se encontró en la revista Radio Electronics de abril de 1976. El circuito genera señales rectangulares y los componentes se pueden cambiar para obtener otras frecuencias.
