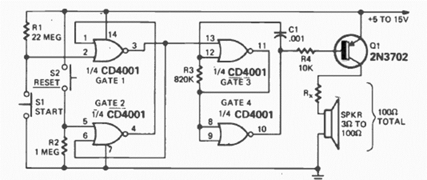
Este circuito de alarma se activa cuando se abre S1. El circuito de una revista Radio Electronics de enero de 1975 se puede utilizar con sensores de interrupción conectados en serie.
Los circuitos de alta frecuencia, como los que operan con señales de FM, son críticos no debiendo...
El circuito presentado en la figura 1 hace encender un LED blanco de alto rendimiento cuando falta luz,...
Con este oscilador podemos obtener una señal de 10 W de potencia en la frecuencia de 100kHz, El...