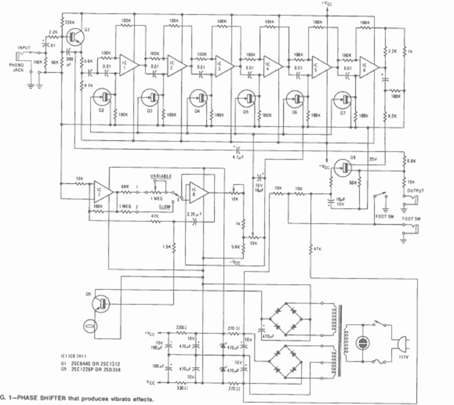
El propósito de este circuito que se encuentra en la revista Radio Electronics de septiembre de 1977 es producir el efecto vibrato. Es un circuito de cambio de fase que funciona con operativa común.
La potencia de este amplificador deja mucho que desear en relación con los modernos aparatos de alta...
El proyecto presentado es interesante, pues permite la determinación de la velocidad de reacción de...
Este circuito es básicamente la misma configuración anterior con una etapa de potencia con...