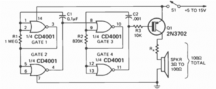
Esta sirena modulada se encontró en la revista Radio Electronics de diciembre de 1974. Se puede utilizar una etapa de salida de mayor potencia como el circuito anterior. La frecuencia y el efecto vienen dados por C1 y C2.
Los circuitos de alta frecuencia, como los que operan con señales de FM, son críticos no debiendo...
El circuito presentado en la figura 1 hace encender un LED blanco de alto rendimiento cuando falta luz,...
Con este oscilador podemos obtener una señal de 10 W de potencia en la frecuencia de 100kHz, El...