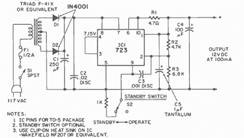
Usando el circuito integrado 723, esta fuente tiene la tensión determinada por R2 y R3, el cual se puede cambiar. El circuito es de una revista Radio Electronics de julio de 1971.
Este pequeño radio para la banda AM utiliza cuatro transistores con un amplificador complementario para...
Este relé de luz o sobre, según las posiciones del LDR y de P1 es extremadamente sensible, pues utiliza...
Este circuito se puede utilizar en el coche, para mantener la luz de cortesía encendida después de la...