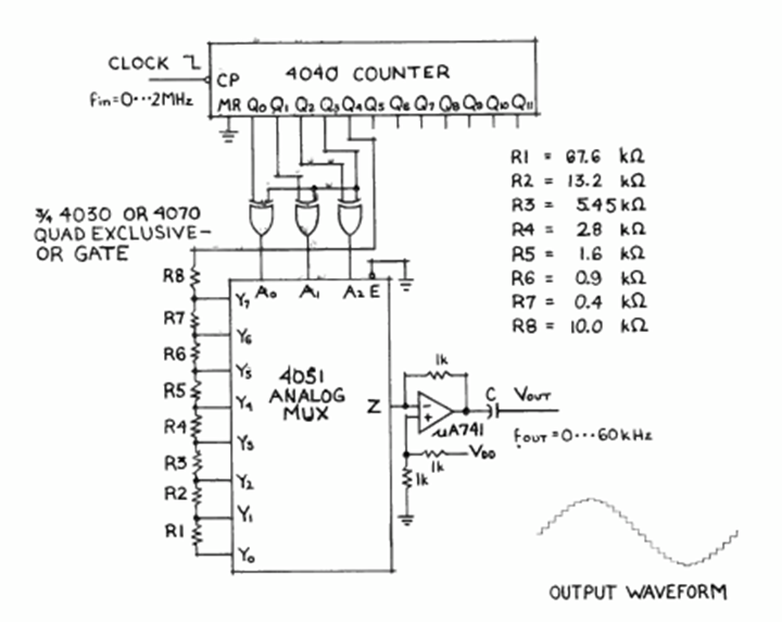
Encontramos este circuito generador de señales en la revista Radio Electronics de noviembre de 1978. El circuito emplea circuitos CMOS y tiene una frecuencia de entrada máxima de 2 MHz.
Este pequeño radio para la banda AM utiliza cuatro transistores con un amplificador complementario para...
Este relé de luz o sobre, según las posiciones del LDR y de P1 es extremadamente sensible, pues utiliza...
Este circuito se puede utilizar en el coche, para mantener la luz de cortesía encendida después de la...