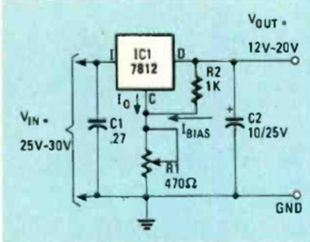
En la figura tenemos un método mejorado para variar la tensión de un regulador 7812. El circuito es de Radio Electronics de julio de 1984. Se puede aplicar a otros reguladores.

En la figura tenemos un método mejorado para variar la tensión de un regulador 7812. El circuito es de Radio Electronics de julio de 1984. Se puede aplicar a otros reguladores.
