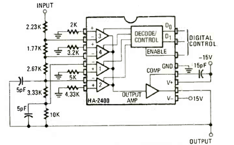
Este circuito con el HA2400 se encontró en la revista Radio Electronics de marzo de 1980. El circuito tiene un control de ganancia digital y debe ser alimentado por una fuente simétrica de 15 V.
Este pequeño radio para la banda AM utiliza cuatro transistores con un amplificador complementario para...
Este relé de luz o sobre, según las posiciones del LDR y de P1 es extremadamente sensible, pues utiliza...
Este circuito se puede utilizar en el coche, para mantener la luz de cortesía encendida después de la...