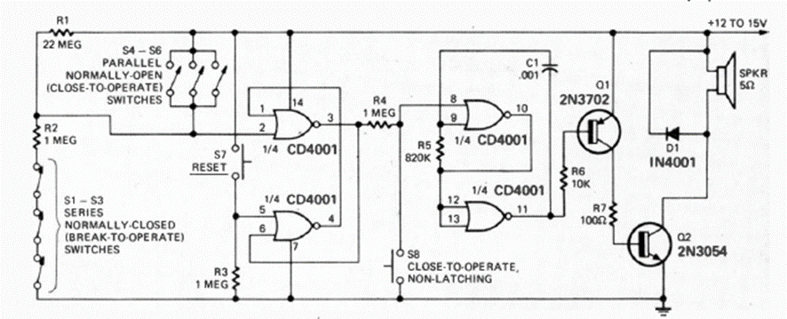
Esta alarma con sensores NO y NC fue encontrada en la revista Radio Electronics de enero de 1975. El circuito emite un sonido potente que depende del transistor de salida.
Este pequeño radio para la banda AM utiliza cuatro transistores con un amplificador complementario para...
Este relé de luz o sobre, según las posiciones del LDR y de P1 es extremadamente sensible, pues utiliza...
Este circuito se puede utilizar en el coche, para mantener la luz de cortesía encendida después de la...