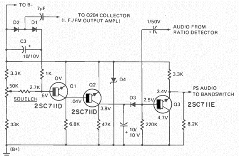
Este circuito para receptores de comunicaciones fue encontrado en la revista Radio Electronics de enero de 1974. Los transistores son del tipo japonés de la época, pues el circuito formaba parte de equipos de tal origen.
Este pequeño radio para la banda AM utiliza cuatro transistores con un amplificador complementario para...
Este relé de luz o sobre, según las posiciones del LDR y de P1 es extremadamente sensible, pues utiliza...
Este circuito se puede utilizar en el coche, para mantener la luz de cortesía encendida después de la...