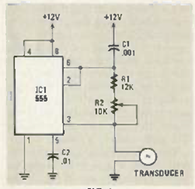
En la figura tenemos un generador de ultrasonidos que utiliza un transductor capacitivo que sirve como capacitor de tiempo. El circuito es de una Radio Electronics de noviembre de 1985.

En la figura tenemos un generador de ultrasonidos que utiliza un transductor capacitivo que sirve como capacitor de tiempo. El circuito es de una Radio Electronics de noviembre de 1985.
