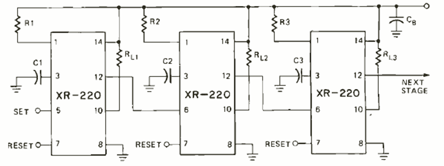
El XR220 es un circuito equivalente al 555 de los años 1970. Esta configuración de la revista Radio Electronics de octubre de 1972 muestra cómo usarlo en un temporizador secuencial. Resistores y capacitores determinan los tiempos de cada etapa.
Este pequeño radio para la banda AM utiliza cuatro transistores con un amplificador complementario para...
Este relé de luz o sobre, según las posiciones del LDR y de P1 es extremadamente sensible, pues utiliza...
Este circuito se puede utilizar en el coche, para mantener la luz de cortesía encendida después de la...