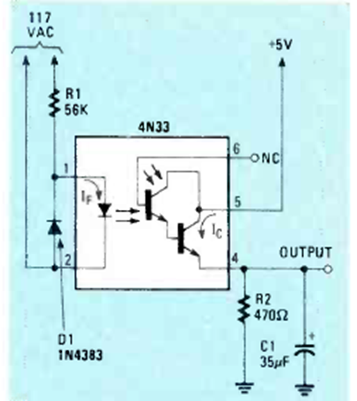
Utilizando un acoplador óptico 4N33, tenemos en la figura una interfaz óptica para circuitos TRTL, activada por la tensión de la red eléctrica. El circuito se puede modificar para interconectar otra lógica.

Utilizando un acoplador óptico 4N33, tenemos en la figura una interfaz óptica para circuitos TRTL, activada por la tensión de la red eléctrica. El circuito se puede modificar para interconectar otra lógica.
