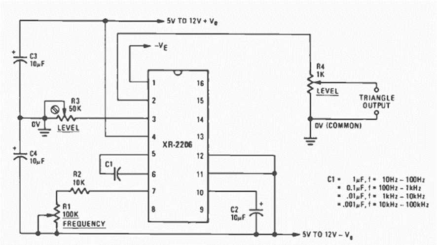
Encontrado en una Radio Electrónica de abril de 1977, este circuito utiliza el conocido XR2206. Los valores de C1 para las diferentes bandas de frecuencia se dan junto al diagrama.
Este pequeño radio para la banda AM utiliza cuatro transistores con un amplificador complementario para...
Este relé de luz o sobre, según las posiciones del LDR y de P1 es extremadamente sensible, pues utiliza...
Este circuito se puede utilizar en el coche, para mantener la luz de cortesía encendida después de la...