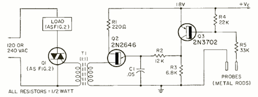
Este circuito es de una revista de Radio Electronics de julio de 1970. Los sensores son sondas metálicas. La fuente de 18 V debe estar aislada de la red eléctrica.
Este pequeño radio para la banda AM utiliza cuatro transistores con un amplificador complementario para...
Este relé de luz o sobre, según las posiciones del LDR y de P1 es extremadamente sensible, pues utiliza...
Este circuito se puede utilizar en el coche, para mantener la luz de cortesía encendida después de la...