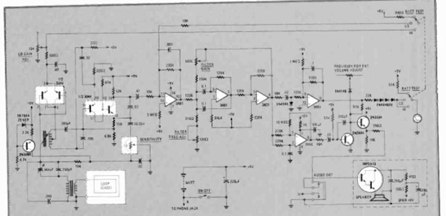
Este es el receptor del circuito anterior publicado en la revista Radio Electronics de noviembre de 1980. Las bobinas deben sintonizarse a la misma frecuencia y colocarse en escuadra a una distancia de dos metros entre sí sobre una varilla horizontal.




