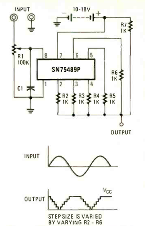
Este circuito fue encontrado en la revista Radio Electronics de junio de 1978. El circuito debe alimentarse con tensiones de 10 a 18 V. El circuito integrado es de Texas Instruments.

Este circuito fue encontrado en la revista Radio Electronics de junio de 1978. El circuito debe alimentarse con tensiones de 10 a 18 V. El circuito integrado es de Texas Instruments.
