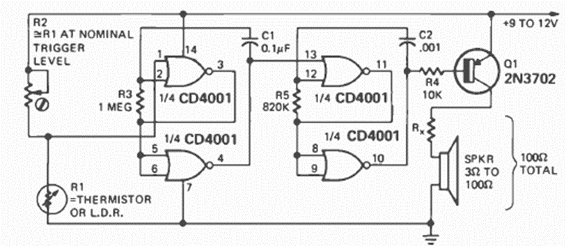
Este circuito se encontró en la revista Radio Electronics de enero de 1975. El circuito está basado en el 4001 y tiene un paso de potencia que se puede cambiar según sugerencias de circuitos anteriores de esta serie 4001.
Este pequeño radio para la banda AM utiliza cuatro transistores con un amplificador complementario para...
Este relé de luz o sobre, según las posiciones del LDR y de P1 es extremadamente sensible, pues utiliza...
Este circuito se puede utilizar en el coche, para mantener la luz de cortesía encendida después de la...