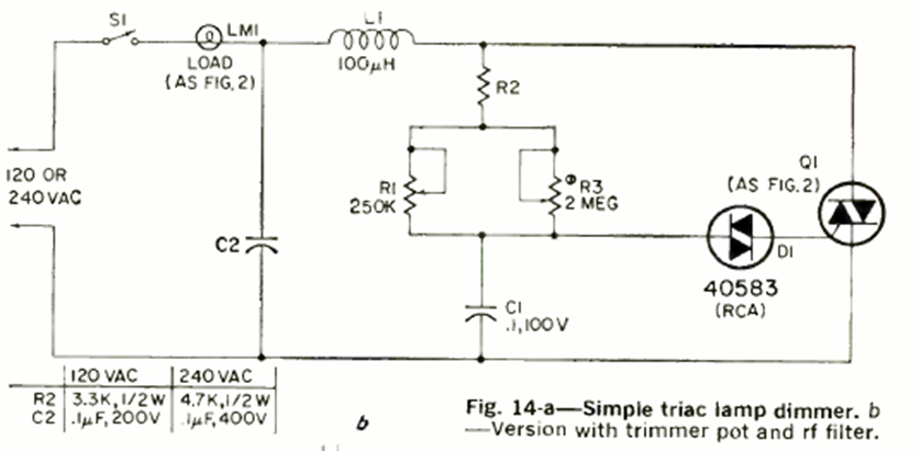
Otro circuito de atenuación. Este atenuador para lámparas incandescentes se encontró en la revista Radio Electronics de julio de 1970. El triac debe estar equipado con un disipador de calor y su corriente debe controlarse según la carga.
Este pequeño radio para la banda AM utiliza cuatro transistores con un amplificador complementario para...
Este relé de luz o sobre, según las posiciones del LDR y de P1 es extremadamente sensible, pues utiliza...
Este circuito se puede utilizar en el coche, para mantener la luz de cortesía encendida después de la...