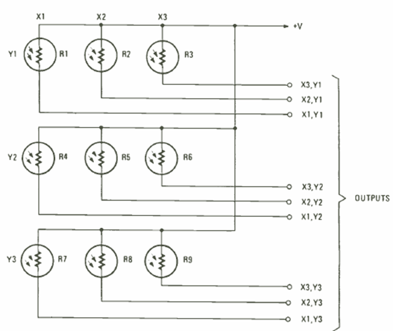
Este circuito de 9 píxeles se implementó con 9 LDR y puede acoplarse a un sistema de procesamiento para un ojo artificial elemental. El circuito es un Radio Electronics de noviembre de 1986.
Este pequeño radio para la banda AM utiliza cuatro transistores con un amplificador complementario para...
Este relé de luz o sobre, según las posiciones del LDR y de P1 es extremadamente sensible, pues utiliza...
Este circuito se puede utilizar en el coche, para mantener la luz de cortesía encendida después de la...