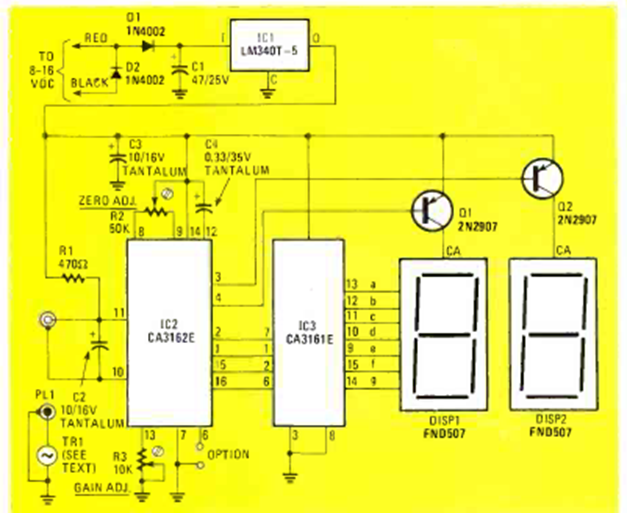
Este circuito fue descrito en un artículo de la revista Radio Electronics de septiembre de 1983. El circuito de dos dígitos se basa en integrados dedicados muy conocidos en ese momento.

Este circuito fue descrito en un artículo de la revista Radio Electronics de septiembre de 1983. El circuito de dos dígitos se basa en integrados dedicados muy conocidos en ese momento.
