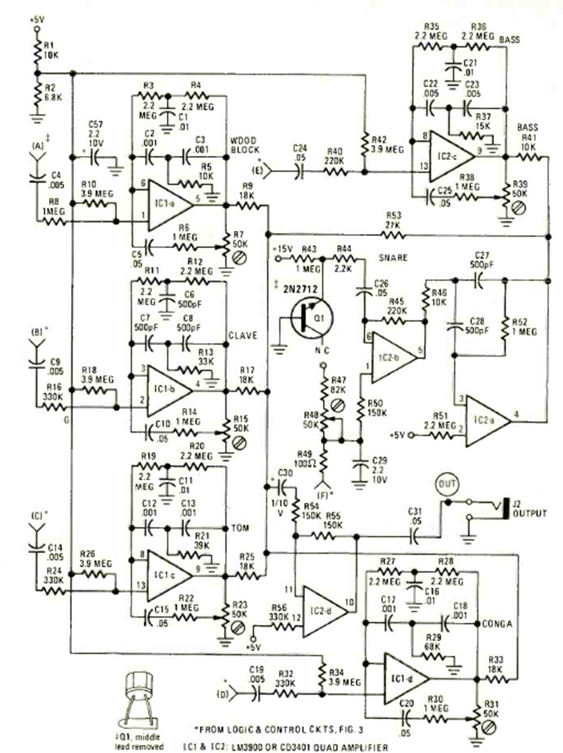
Este circuito de percusión se encontró en la revista Radio Electronics de febrero de 1978. El circuito utiliza un suministro de 3 tensiones y circuitos integrados de la época.
Este pequeño radio para la banda AM utiliza cuatro transistores con un amplificador complementario para...
Este relé de luz o sobre, según las posiciones del LDR y de P1 es extremadamente sensible, pues utiliza...
Este circuito se puede utilizar en el coche, para mantener la luz de cortesía encendida después de la...