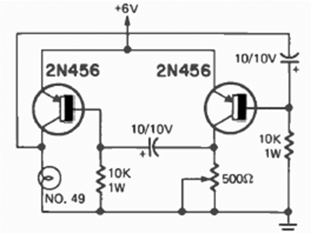
Este estroboscopio con lámpara incandescente se encontró en la revista Radio Electronics de febrero de 1974. La lámpara es de 50 a 100 mA y los transistores pueden ser BC558.

Este estroboscopio con lámpara incandescente se encontró en la revista Radio Electronics de febrero de 1974. La lámpara es de 50 a 100 mA y los transistores pueden ser BC558.
