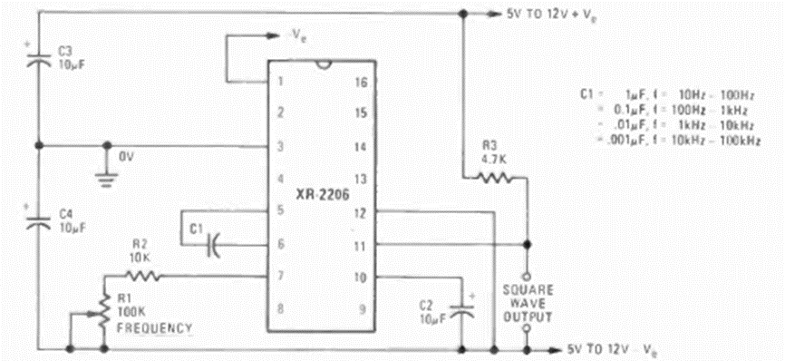
Encontramos este circuito en la revista Radio Electronics de abril de 1977. El circuito genera señales cuadradas en el rango de frecuencia que depende de C1. Los valores se dan al lado del diagrama.
Este amplificador se puede utilizar para direcciones públicas u otras aplicaciones. Se utilizan tres...
Este circuito generador de tonos secuencial se encontró en la revista Radio Electronics de julio de...
Esta tabla con el diseño de la antena permite dimensionar la antena según la frecuencia de...