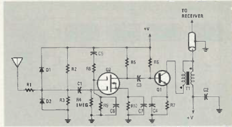
Aunque utiliza un FET de doble canal, que es difícil de encontrar hoy en día, este circuito fue lanzado en Radio Electronics en abril de 1986. Sirve como amplificador de señal para una amplia gama de frecuencias.
Este pequeño radio para la banda AM utiliza cuatro transistores con un amplificador complementario para...
Este relé de luz o sobre, según las posiciones del LDR y de P1 es extremadamente sensible, pues utiliza...
Este circuito se puede utilizar en el coche, para mantener la luz de cortesía encendida después de la...