Este circuito activa el relé cuando la temperatura excede el valor establecido en el trimpot. El circuito es de Radio Electronics de junio de 1986. El sensor es un NTC y el valor de ajuste depende de este componente.
Este pequeño radio para la banda AM utiliza cuatro transistores con un amplificador complementario para...
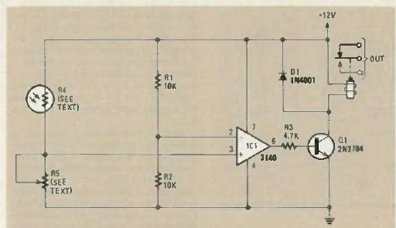
Este relé de luz o sobre, según las posiciones del LDR y de P1 es extremadamente sensible, pues utiliza...
Este circuito se puede utilizar en el coche, para mantener la luz de cortesía encendida después de la...