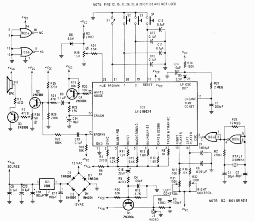
Este es el circuito tradicional del videojuego de carreras de 1980 con el AY3-6603-1 que también publicamos en su momento en nuestras revistas. Este circuito es de la revista Radio Electronics de agosto de 1980.
Este pequeño radio para la banda AM utiliza cuatro transistores con un amplificador complementario para...
Este relé de luz o sobre, según las posiciones del LDR y de P1 es extremadamente sensible, pues utiliza...
Este circuito se puede utilizar en el coche, para mantener la luz de cortesía encendida después de la...