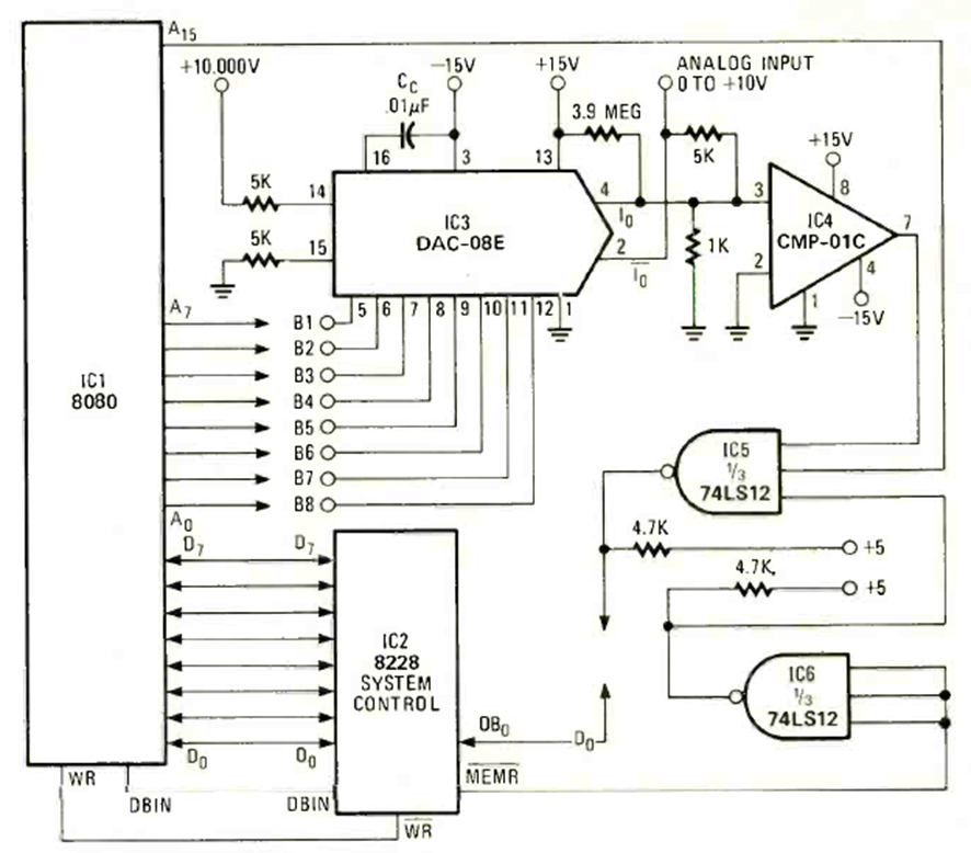
En la figura vemos cómo utilizar un 8080 en un conversor de digital a analógico. El circuito es de una Radio Electrónica de febrero de 1978. Los demás componentes son de la época, excepto el TTL.
Este pequeño radio para la banda AM utiliza cuatro transistores con un amplificador complementario para...
Este relé de luz o sobre, según las posiciones del LDR y de P1 es extremadamente sensible, pues utiliza...
Este circuito se puede utilizar en el coche, para mantener la luz de cortesía encendida después de la...