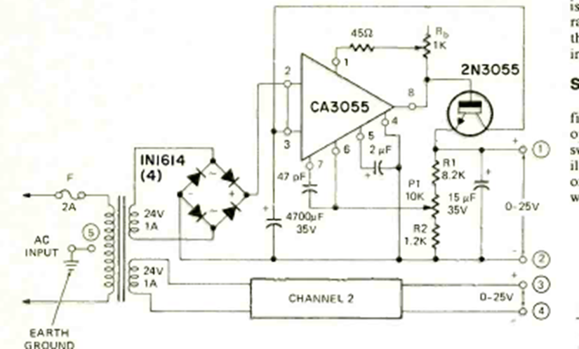
Este circuito fue encontrado en una revista de Radio Electrónica de noviembre de 1972. El circuito es basado en uno integrado de la época y la corriente es de 1 A y se ajusta en un potenciómetro.
Esta fuente fue originalmente diseñada para alimentar nuestro circuito anterior (CIR6483S) que consiste...
Este circuito receptor de un solo transistor se encontró en la revista Radio Electronics de julio...
Este circuito se encontró en una publicación americana de los años 50. Los transistores son de...