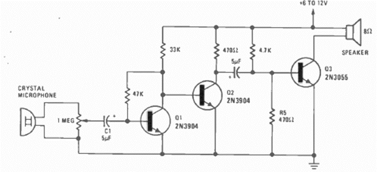
Este sencillo amplificador utiliza un micrófono conectado al teléfono. El circuito de 3 transistores se encontró en la revista Radio Electronics de mayo de 1977. La energía se puede suministrar mediante una fuente de alimentación o una batería.
Si usted tiene un radito de dos pilas pequeñas es una manera de alimentarlo con energía solar de...
Con este circuito podremos obtener bajas tensiones continuas para experimentos simples sin la...
La finalidad de este circuito es generar una señal que puede ser captada entre los canales 2 y 5...